Вертолетная площадка для легких вертолетов
типа Robinson-22/44/66 из террасной доски.



Отличия палубной от террасной доски:
Палубная доска гладкая, имеющая закругленные фаски на кромках с лицевой стороны, а террасная доска — рифленая, препятствующая скольжению, с вентиляционными пазами снизу. Для площадки вертодрома предпочтительной является террасная доска.



Из отечественной древесины лучшим материалом для декинга (англ. decking — палубный настил) является лиственница. Экзотические деревья, произрастающие в тропиках, идеальны для использования во внешней среде, но цена этого эксклюзива не по карману большинству потребителей. Впрочем, срок эксплуатации палубной и террасной доски из лиственницы тоже солиден, поскольку лиственница не набирает влагу, не гниет и не поражается грибком и насекомыми благодаря камеди (природной смоле) в своем составе. Расчет материала Террасная/палубная доска в небольших количествах измеряется в квадратных метрах (умножается длина на ширину), в промышленных масштабах — в кубах (перемножаются ширина, длина и толщина). Для площадки применяется доска сечением 45х160мм импрегнированная (вильвет вакуумной обработки пропиткой для древесины Tanalit E3492).

«Акклиматизация» доски
Прежде чем монтировать покрытие, следует дать палубной/террасной доске «отлежаться» двое суток там, где будет происходить монтаж — для адаптации к природным условиям. После распила производится двусторонняя обработка срезов восковым составом во избежание деформации в процессе эксплуатации.

Подготовка основания
Площадка заливается цементно-песчаной стяжкой или бетоном на щебень или гравий. На гидроизоляционный слой укладываются лаги или размещаются между балками, в зависимости от проекта.



Классический способ монтажа покрытия из террасной/палубной доски
Под классическим способом имеется в виду использование прочного каркаса из бруса или досок.

Комплектующие для монтажа:
1. Монтажные лаги сечением 100х150мм;
2. Доска сечением 45х160мм импрегнированная;
3. Крепеж ГвозDECK CLASSIC;
4. Шурупы HECO-FIX-plus 3,5*35 PZ или SPAX 3.5*35 или гвозди 3*30 мм;
5. Уголок оцинкованный усиленный 130х100;
6. Саморезы анодированные 4,5x80;
7. Составы по уходу за древесиной, огнебиозащита "Сенеж".


Необходимые инструменты:
1. Шуруповерт;
2. Молоток весом 700-800 грамм;
3. Пила.

Укладка лаг
Основанием для дощатого настила служат лаги — бруски обрешетки. Следует использовать материал, аналогичный материалу покрытия, в данном случае лиственницу. Обязательная обработка антисептиком и водоотталкивающими составами увеличит срок их службы. Лаги укладываются с максимальным шагом 40 см, а если доска будет монтироваться по диагонали, то расстояние между лагами должно быть примерно 25 см. Опорная лага располагается в 10-20 миллиметрах от стены — на ширину компенсационного зазора, на случай разбухания дерева (случается до 6 мм на метр погонный). Лагам надлежит опираться на поверхность основания по всей своей длине. Крайние опорные лаги, расположенные у торцов досок настила, фиксируются. Для циркуляции воздуха пустоты между лагами под покрытием ничем не заполняются, а компенсационный зазор по периметру остается открытым. Чтобы не застаивалась вода, устраивается водоотвод. При монтаже лаг необходимо уложить пластиковые трубы, в которые впоследствии будет уложен кабель светосигнального оборудования.



Монтаж доски
Террасную/палубную доску укладывают не как шпунтованную (подобно кубикам «лего»), а встык. Между досками должно оставаться расстояние в 3-6 мм для стока воды. Край первой доски крепится к лаге шурупом.

Крепление ГвозDECK CLASSIK
Для крепления используются невидимые снаружи стальные оцинкованные крепежные элементы ГвозDECK CLASSIK размером 60*30*2.5 мм, рекомендуемые специально для высоконагруженных горизонтальных настилов из террасной доски, толщина которой варьируется от 22 до 45 мм.



1. Крепеж устанавливается вертикально вплотную к доске. Легким ударом молотка намечается место входа крепежного элемента в основание;
2. Без извлечения острия крепежа из лаги совершается наклон его до угла 45-60 градусов;
3. Якорь крепежа, придерживаемый левой рукой, забивается до основания;
4. ГвозDECK подгибается до 90 градусов и в отверстие завертывается саморез или вбивается гвоздь;
5. Аналогично используется второй крепеж;
6. На основание кладется следующая доска. Вставшим на доски мастером производится удар молотком через прокладку и насаживается элемент конструкции на шипы крепежа, при этом зазор между досками выбирается до нужного размера при помощи установленного А-спейсера (калиброванной прокладки);
7. Зазор должен составлять от 3 до 6 мм для стока воды и свободной циркуляции воздуха;
8. Повторяются действия. А-спейсеры удаляются только после монтажа всей террасы;
9. Последняя доска прикрепляется к лагам так же как первая — саморезами. Крепление с помощью ГвозDECK позволяет производить монтаж без использования электричества. Террасный настил, смонтированный с помощью ГвозDECK, поддается шлифованию для будущей реставрации. Работы завершаются промыванием и высушиванием настила, который затем обрабатывается защитным покрытием.


После монтажа всех досок, в них, в местах установки конусов светосигнальных огней, нужно изготовить отверстия диаметром 150мм.

Монтаж светосигнального оборудования
Комплектующие для монтажа:
1. Огни
2. Пирамиды с кронштейнами для установки огней
3. Кабель
4. Разъемы
5. Монтажный инструмент
6. Герметик




Распаковать конусы и смонтировать на них кронштейны.
Распаковать огни и используя герметик, для герметизации резьбовых отверстий, смонтировать их на кронштейны.
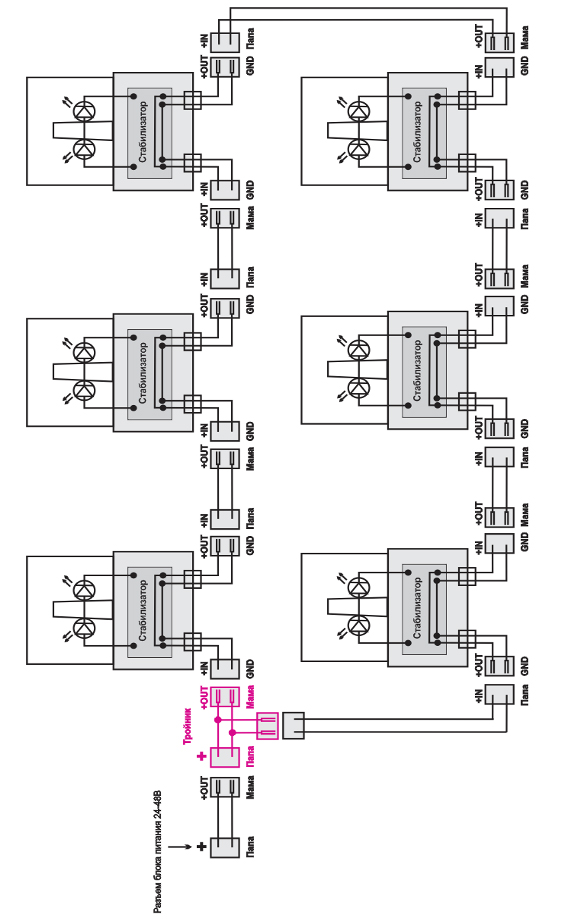
Произвести нарезку кабелей, согласно длинам соединений + запас 1 метр.
Установить разъем "папа" согласно руководству, на всех кабелях.



Проложить кабели от точки подачи электропитания (отверстие в доске, куда будет подведен питающий кабель от системы управления, первый огонь) последовательно к каждому следующему огню таким образом, чтобы установленный разъем "папа" оставался в предыдущем отверстии для конуса, а свободный от резъема конец кабеля был в следующем.



На последний кабель, который замыкает периметр и идет к первому ответстию от последнего, нужно смонтировать разъем "папа". На все остальные концы кабелей, разъем "мама". На кабель, идущий от системы управления, смонтировать разъем "мама". Первый огонь подключить к трем кабелям в отверстии (+ кабель от системы управления) при помощи тройника. Все остальные огни соединить с двумя кабелями в каждом отверстии.



Включить огни для проверки правильности монтажа Зафиксировать конусы, при помощи шурупов, в местах установки.







Политика обработки персональных данных. Ваши персональные данные обрабатываются на сайте в целях его функционирования - если вы не согласны с этим, то должны покинуть сайт.